Hailo
Стационарная лестница Hailo 0,84 м 3 ступени (алюминий)
Арт. 6050031
Стационарная алюминиевая лестница Hailo 6050031 на 3 ступени высотой 0,84 м. Вес конструкции — 1,5 кг, производство Германия.
- Ступеней
- 3 шт
- Масса
- 1,5 кг
10 800 ₽
Наличие и сроки поставки — по запросу
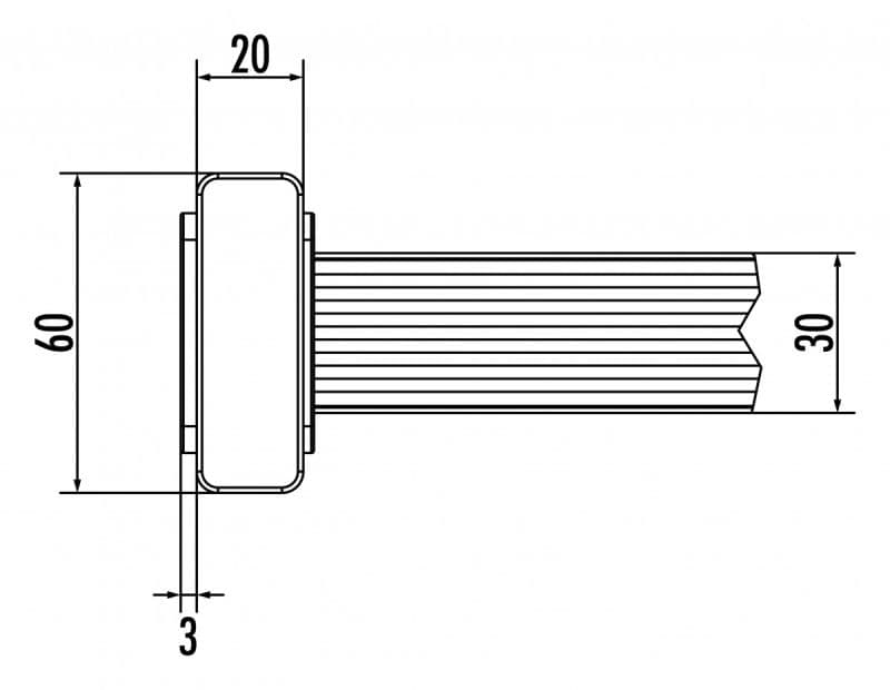
Шахтная лестница Hailo артикул 9670035 из стеклопластика: 3 ступени, высота секции 0,84 м, профиль стойки 60×20 мм.
Основные параметры
Стоимость
21 120 ₽
с НДС 22%
Шахтная лестница Hailo LW300 мм 0,84 м 3 ступени (стеклопластик)
21 120 ₽

Шахтная лестница Hailo LW300 мм 0,84 м 3 ступени (стеклопластик)
Арт. 9670035
21 120 ₽
Выберите размер
Получите персональное предложение, условия поставки и наличие на складе.
Шахтная лестница Hailo артикул 9670035 — стационарная секционная конструкция из стеклопластика, предназначенная для вертикального доступа в шахты, колодцы, подземные технические камеры и смотровые люки. Секция рассчитана на три ступени и перекрывает высоту 0,84 м. Лестница производится в Германии и поставляется как самостоятельный элемент для монтажа в составе многосекционной системы либо как отдельный пролёт при небольшой глубине объекта.
Несущие стойки изготовлены из стеклопластикового профиля сечением 60×20 мм. Стеклопластик не проводит электрический ток, не корродирует при контакте с водой, агрессивными средами и химическими растворами. Ступени выполнены из профиля 30×30 мм и обеспечивают фиксированную ширину прохода 300 мм между стойками. Поверхность ступеней рифлёная, что снижает риск скольжения при эксплуатации в условиях повышенной влажности.
Секция включает 3 ступени при высоте 0,84 м. Ширина лестницы по осям стоек составляет 300 мм. Профиль стойки 60×20 мм обеспечивает жёсткость конструкции при вертикальных и боковых нагрузках. Профиль ступени 30×30 мм — квадратного сечения, что равномерно распределяет нагрузку от стопы. Стеклопластик как материал имеет низкий коэффициент теплового расширения, что актуально для объектов с перепадами температур.
Лестница относится к категории стационарных шахтных конструкций, монтируемых непосредственно в стену или боковые направляющие шахты. Стеклопластиковое исполнение соответствует требованиям к оборудованию в зонах с электрическими рисками и агрессивными средами. Конструкция пригодна для использования на водопроводных и канализационных объектах, в тоннелях связи и энергетики, где металлические лестницы недопустимы по условиям эксплуатации. Hailo производит шахтные лестницы на немецких мощностях под контролем собственных стандартов качества.
Основные сценарии применения — подземная инфраструктура: смотровые колодцы водопровода и канализации, кабельные каналы, тепловые камеры, шахты связи. Используется коммунальными службами, строительными организациями при прокладке подземных коммуникаций, эксплуатационным персоналом на промышленных объектах. При небольшой глубине шахты (до 1 м) секция 9670035 применяется как единственный пролёт; для большей глубины секции стыкуются последовательно.
Стеклопластик не требует антикоррозионной обработки и покраски в процессе эксплуатации, что снижает затраты на обслуживание. Конструкция хранится в сухом или защищённом от прямых атмосферных осадков месте. Секция компактна по длине (0,84 м), что упрощает транспортировку и складское хранение, в том числе в вертикальном положении вдоль стены. Для транспортировки нескольких секций допускается горизонтальная укладка в пачку без деформации профилей.
При выборе между секциями шахтных лестниц Hailo следует ориентироваться на проектную глубину объекта: секция 9670035 на 3 ступени (0,84 м) используется для минимальных пролётов или как дополнительная секция в многоярусной схеме. Для больших глубин в линейке Hailo предусмотрены секции с большим числом ступеней. Ширина 300 мм соответствует нормативным требованиям для шахтных лестниц в большинстве категорий подземных сооружений гражданской и промышленной инфраструктуры.
Применяется при монтаже стационарных лестниц в смотровых колодцах водопровода и канализации, кабельных каналах, тепловых камерах и шахтах связи. Используется коммунальными службами и строительными организациями как отдельная секция для пролётов до 0,84 м или как составной элемент многосекционной системы вертикального доступа.
Сертификат соответствия ГОСТ Р
Сертификат соответствия продукции Hailo требованиям ГОСТ Р (действителен до 15.09.2028)
Сертификаты · RU
Технический лист от производителя
Документация производителя для 9670035
Техпаспорта · DE
Hailo
Арт. 6050031
Стационарная алюминиевая лестница Hailo 6050031 на 3 ступени высотой 0,84 м. Вес конструкции — 1,5 кг, производство Германия.
10 800 ₽
Hailo
Арт. 9647031
Стационарная лестница Hailo арт. 9647031 из горячеоцинкованной стали на 3 ступени, высота 0,84 м, вес 3,6 кг.
14 640 ₽
Hailo
Арт. 9652031
Стационарная лестница Hailo арт. 9652031 из нержавеющей стали 1.4301/AISI 304 на 3 ступени, высота 0,84 м, вес 3,6 кг.
24 720 ₽
Hailo
Арт. 6050131
Стационарная алюминиевая лестница Hailo арт. 6050131 на 13 ступеней с высотой 3,64 м и профилем ступени 30×30 мм для постоянного монтажа.
32 400 ₽